Как и большинство начинающих разработчиков микроконтроллерных устройств я столкнулся с довольно серьезной проблемой: прошивка микроконтроллера. Промышленные программаторы стоят очень дорого и по-этому на начальном этапе я решил собрать программатор Ponyprog, о котором я написал в одноименной статье. Он имеет очень простую, понятную структуру и очень легко собирается. Но со временем его возможностей мне стало не хватать так как программное обеспечение уже очень старое и ,следовательно, не поддерживаются новые виды микроконтроллеров. Хотелось для подключения использовать USB порт (очень удобно для вла), чтобы все строилось на одном дешевом контроллере и имело простую структуру. После нескольких неудачных попыток собрать такой программатор с самопальным программным обеспечением и драйверами (которые наотрез отказывались работать где бы то ни было) я случайно наткнулся на статью, где описывалась конструкция STK910 совместимого программатора AVRProg. После сборки и прошивки контроллера прибор сразу же заработал. Никаких проблем с прошивкой не наблюдалось, уже год работает очень стабильно. Ниже привожу фото моего программатора.

В связи с переходом на Windows7 , был вынужден искать подходящие драйвера и был просто поражен качеством поддержки устройства. Все необходимые драйвера имеются в наличии!
Этот программатор разработан Рыжковым Андреем (aka PROTTOSS). Оригинал
статьи находится
здесь. В данной статье приведена схема и описание по состоянию на 28.02.2011.
Перед тем, как собирать ее, убедитесь, нет ли обновлений на сайте
автора.
Программатор выполнен на основе драйвера от
Objective Development и полностью совместим по командам с
оригинальным программатором AVR910 от ATMEL. Описание оригинальной схемы
программатора можно взять в
Application Note AVR910: In-System Programming, а список
поддерживаемых команд можно посмотреть в
Application Note AVR109: Self Programming.
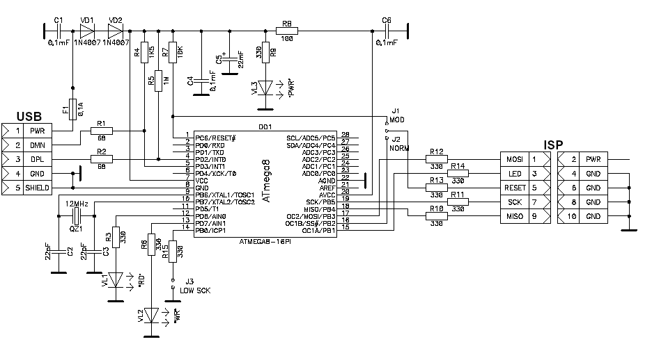
Схема программатора приведена на рисунке ниже. Предохранитель F1 служит
для защиты линий питания порта USB от
случайного замыкания по цепям питания программатора. Диоды VD1, VD2 –
обычные выпрямительные, с прямым падением напряжения ~0,6…0,7В,
предназначены для понижения питания микроконтроллера DD1 до 3,6 В.
Согласно документации ATMEL на ATmega8(L), микроконтроллер может
работать при таком напряжении питания до частоты немногим выше 14
МГц. Светодиоды VL1("RD”), VL2("WR”) сигнализируют о текущих
действиях программатора, и, соответственно, обозначают режимы чтения и
записи. Светодиод VL3("PWR”) предназначен для сигнализации подачи
питания на программатор.

Джампер J1 – (MODify) служит для начального программирования
управляющего МК программатора. При его замыкании, к разъему ISP
подключается внешний программатор и производится загрузка в МК
управляющей программы.
После программирования управляющего МК программатора этот джампер
необходимо разомкнуть и замкнуть джампер J2 - NORMal.
С помощью джампера J3 LOW SCK возможно понижать тактовую
частоту порта SPI МК программатора до ~20 кГц.
При разомкнутом джампере частота SPI нормальная, при замкнутом -
пониженная. Переключать джампер можно на ходу,
так как управляющая программа МК программатора проверяет состояние
линии PB0 при каждом обращении к порту SPI.
Не рекомендуется переключать джампер при запущенном процессе
записи/чтения программируемого МК, т.к., скорее
всего, это приведет к искажению записываемых/читаемых данных. Джампер
J3 введен для возможности программирования МК AVR, тактируемых от
внутреннего
генератора 128 кГц.
Резисторы R10 - R14 предназначены для
согласования уровней сигналов МК программатора и внешних, подключенных к
программатору,
цепей (программируемый МК или другой программатор).
Тактовая
частота порта SPI МК программатора при разомкнутом джампере J3 равна
187,5 кГц.
Это позволяет программировать контроллеры с тактовой частотой
примерно от 570 кГц для ATtiny/ATmega, 750 кГц для 90S и 7,5 МГц для
89S.
Контроллеры программируются от 10 до 30 секунд (при использовании
утилиты AVRProg v.1.4 из пакета AVR Studio) вместе с верификацией в
зависимости от объема FLASH памяти и тактовой частоты.
На вывод LED разъема ISP выведен меандр с частотой 1 МГц для
"оживления" МК, у которых были ошибочно запрограммированы фьюз-биты,
отвечающие за тактирование.
Сигнал генерируется постоянно и не зависит от режима работы
программатора.
Программатор тестировался с программами AVRProg
v.1.4
(входит в пакет
AVRStudio),
ChipBlasterAVR
v.1.07 Evaluation,
CodeVisionAVR,
AVROSP
(ATMEL AVR Open Source Programmer).
Кроме того, программатор тестировался с программой
AVRDUDE, однако,
программа с данным программатором не совместима, так как не все команды
протокола AVR910 отрабатывает корректно.
На данный момент с
вышеперечисленными программами протестировано программирование
контроллеров
89S53, 89S8252, 90S2313, 90S8515, ATtiny13, ATtiny26, ATtiny45,
ATtiny2313, ATmega48, ATmega8, ATmega8515, ATmega8535, ATmega16,
ATmega32, ATmega64, ATmega128, AT90CAN128.
Я рекомендую повторять
схему один-в-один, так как выкидывание "лишних" деталей из схемы может
привести либо к неправильному функционированию программатора,
либо к возможному выходу из строя USB порта на РС, за что,
естественно, автор никакой ответственности не несет.
Управляющий МК без переделки схемы можно заменить на
ATmega8-16PU (Корпус PDIP-28).
Можно так же использовать МК ATmega8-16 c другими буквенными
индексами (корпуса TQFP или MLF).
Но, следует помнить, что нумерация выводов у МК в корпусах TQFP и MLF
отличается от нумерации выводов МК в корпусе PDIP-28.
Диоды VD1 и
VD2 – любые выпрямительные малогабаритные с прямым падением напряжения
~0,6…0,7В.
Светодиоды типа АЛ307БМ.
Конденсатор С5 –
электролитический, с номинальным напряжением не менее 10 вольт.
Остальные конденсаторы – обычные малогабаритные керамические.
Резисторы
– МЛТ-0,125.
Разъем USB – типа USBB-1J (Разъем USB(м) на плату.
Тип В).
Разъем ISP – типа BH-10 (Двурядный разъем IDC-Вилка 2х5
на плату.
Для нормального функционирования контроллера в схеме
необходимо, чтобы были запрограммированы (установлены в "0") биты SPIEN,
CKOPT, SUT0 и BODEN.
Обычно микроконтроллеры , идущие с завода, т.е. новые, имеют уже
запрограммированный бит SPIEN.
Остальные биты должны быть незапрограммированные (установлены в "1").
Windows 2000/XP/Vista/Seven 32-bit
Прошить контроллер. Подключить свежеиспеченный программатор к
РС через свободный разъем USB. Операционная система найдет новое
устройство – AVR910 USB Programmer,
при предложении автоматически найти драйвер, отказаться, и указать
путь к inf-файлу, в зависимости от установленной на вашем компьютере
операционной
системы.
В архиве с прошивкой имеется папка "AVR910.Driver" в которой
расположены три директории для разных вариантов операционных систем:
-"2k_xp_32" - для
операционных систем Windows 2000/XP 32-bit (используется
штатный драйвер usbser.sys)
-"vista_xp_32" - Для
операционных систем Windows XP/Vista/Seven
32-bit(usbser.sys + lowbulk.sys[32-bit] от
Osamu Tamura)
-"vista_xp_64" - Для
операционных систем Windows XP/Vista/Seven
64-bit(usbser.sys + lowbulk.sys[64-bit] от
Osamu Tamura)
Особенности установки:
Windows 2000
В принципе, инсталляция не отличается от подобной для Windows XP, но
есть одно НО - задержки в драйвере usbser.sys данной ОС портят цепочку
команд от ПО на РС до программатора и,
соответственно, цепь ответов обратно от программатора до ПО на РС...
Проблему автор пока не установил, но есть решение. Конечно не самое
красивое, но работает надежно :-)
Необходимо заменить файл usbser.sys в системных папках Windows 2000
на аналогичный от Windows XP. Это папки ...\winnt\system32\drivers\ и
...\winnt\system32\dllcashe\.
Файл usbser.sys от Windows XP SP1 можно взять здесь.
Естественно, что драйвер придется подменять загрузившись под другой
ОС (например с загрузочного диска).
Windows
XP/Vista/Seven 64 bit
Чтобы использовать драйвера на 64 битной платформе, Вы должны
отключить проверку цифровых подписей драйверов,
нажимая функциональную клавишу F8 во время начала загрузки системы.
Второй вариант, использование программы
"Driver
Signature Enforcement Overrider",
которая подписывает драйвер
как "testdriver" и активизирует "testmode", таким образом Вы можете
загрузить драйвер без реальной цифровой подписи. Вы можете найти
более
детальное описание на странице программы, пройдя по ссылке выше.
Установка:
1. Загрузить ""Driver Signature
Enforcement Overrider";
2. Запустите DSEO (инсталляция не требуется).
3. Выберите "Sign a System File", нажмите кнопку "Next" и
выберете файл avr910.usb.vista.xp.64.inf из директории
...AVR910.Driver/vista_xp_64/.
4. Выберите "Sign a System File" еще раз, нажмите кнопку "Next" и
выберете файл lowbulk.sys из директории
...AVR910.Driver/vista_xp_64/.
5. Выберите "Enable Testmode" и нажмите кнопку "Next".
6. Перезапустите свой компьютер.
Оригинальные драйвера для AVR CDC от Osamu Tamura можно взять здесь.
Как правило, правильно собранный, программатор с правильно
запрограммированным МК в настройке не нуждается.
Есть единственное замечание – если у программируемого МК вход RESET
подтянут к напряжению питания резистором, то номинал резистора не
должен быть ниже 10 кОм –
это связанно с пониженным напряжением питания управляющего МК
программатора и введением ограничительных резисторов на шине
ISP-разъема.
Если возникли проблемы
- Проверить схему на отсутствие ошибок, обрывов и коротких
замыканий.
- Проверить напряжение питания на выводах питания (7, 8) МК
программатора – оно должны быть в пределах 3,5 – 3,8 вольт.
- Проверить, запустился ли кварцевый генератор МК. Это можно
сделать с помощью осциллографа, подключив его к выводу 10 МК. Если нет
осциллографа, то можно определить запуск генератора и с помощью обычного
светодиода. Для этого к выводу 10 МК через токоограничительный резистор
номиналом 330 – 510 Ом подключается светодиод, анодом к МК, катодом на
землю. При подаче питания светодиод должен слабо светиться. Следует
заметить, что программатор не будет определяться ни одной ОС, если
номинальная частота кварца отличается от 12 МГц. Это связанно с
особенностями работы USB – тактовая частота передачи данных по USB для
Low Speed Device равна 1, 5 МГц – тактовая частота управляющего МК
программатора должна быть ровно в 8 раз выше.
- Проверить, запустилось ли внутренняя программа в МК
программатора. На контакте LED ISP-разъема должен присутствовать меандр
частотой 1 МГц. Наличие меандра так же можно проконтролировать с помощью
осциллографа. Если нет осциллографа, можно произвести проверку при
помощи светодиода. Светодиод подключается анодом к контакту LED, катодом
к любому контакту GND ISP-разъема. При подаче питания светодиод должен
светится в «полнакала». При замыкании пинцетом ножек кварцевого
генератора светодиод должен либо засветится в «полный накал», либо
свечение должно отсутствовать.
Ссылки к статье